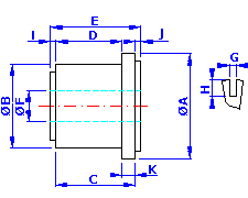
Barrel Commutators Petición de Oferta / Enquiry DATOS DE CONTACTO / CONTACT DETAILSEmpresa / Company *e-mail *Teléfono / Phone number *Dirección / Address *DETALLE DE LA OFERTA / ENQUIRY DETAILSCantidad requerida / Quantity requiredPlazo requerido / Delivery time requiredMesDíaAñoDETALLE DIMENSIONAL / DIMENSIONAL DETAILSUnidades / Units *Milímetros / MilimetersPulgadas / InchesNúmero de delgas / Bars quantityA. Diámetro de valona / Riser diameterB. Diámetro útil / Brush diameterC. Longitud de cobre / Copper lengthD. Longitud útil / Brush lengthE. Longitud total / Total lengthF. Diámetro interior / Bore diameterG. Ancho de ranura / Slotting widthH. Profundidad de ranura / Slotting depthI. Altura botón posterior / Rear moulded extensionJ. Altura botón anterior / Front moulded ext.K. Longitud de valona / Riser widthDETALLE TÉCNICO / TECHNICAL DETAILSTemperatura de trabajo / Working TemperatureRPMTipo Motor / Motor typeMaterial de delgas / Bar materialCuAgAgAislamiento / InsulationAire / AirMicaSi Mica, seleccione / If Mica, select:Normal / FlushRebajada / SubflushCasquillo / BushSí / YesNoAnilla de refuerzo / Reinforcing ringSí / YesNoComentarios / Remarks Enviar