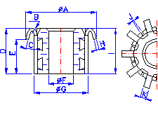
Hook commutators Petición de oferta / Enquiry DATOS DE CONTACTO / CONTACT DETAILSEmpresa / Company *e-mail *Teléfono / Phone number *Dirección / Address *DETALLE DE LA OFERTA / ENQUIRY DETAILSCantidad requerida / Quantity requiredPlazo requerido / Delivery time requiredMesDíaAñoDETALLE DIMENSIONAL / DIMENSIONAL DETAILSUnidades / Units *Milímetros / MilimetersPulgadas / InchesNúmero de delgas / Bars quantityA. Diámetro ganchos / Hooks diameterB. Radio gancho / Hook radiusC. Ángulo gancho / Hook angleD. Longitud cobre / Copper lengthE. Longitud útil / Brush lengthF. Diámetro agujero / Bore diameterG. Diámetro útil / Brush diameterH. Espesor gancho / Hook thicknessI. Altura total / Overall lengthJ. Ancho ranura / Slotting widthK. Ancho de gancho / Hook widthDETALLE TÉCNICO / TECHNICAL DETAILSTemperatura de trabajo / Working TemperatureRPMTipo Motor / Motor typeMaterial de delgas / Bar materialCuAgAgAislamiento / InsulationAire / AirMicaSi Mica, seleccione / If Mica, select:Normal / FlushRebajada / SubflushCasquillo / BushSí / YesNoAnilla de refuerzo / Reinforcing ringSí / YesNoComentarios / Remarks Enviar